Published:2009/7/1 21:14:00 Author:May | From:SeekIC

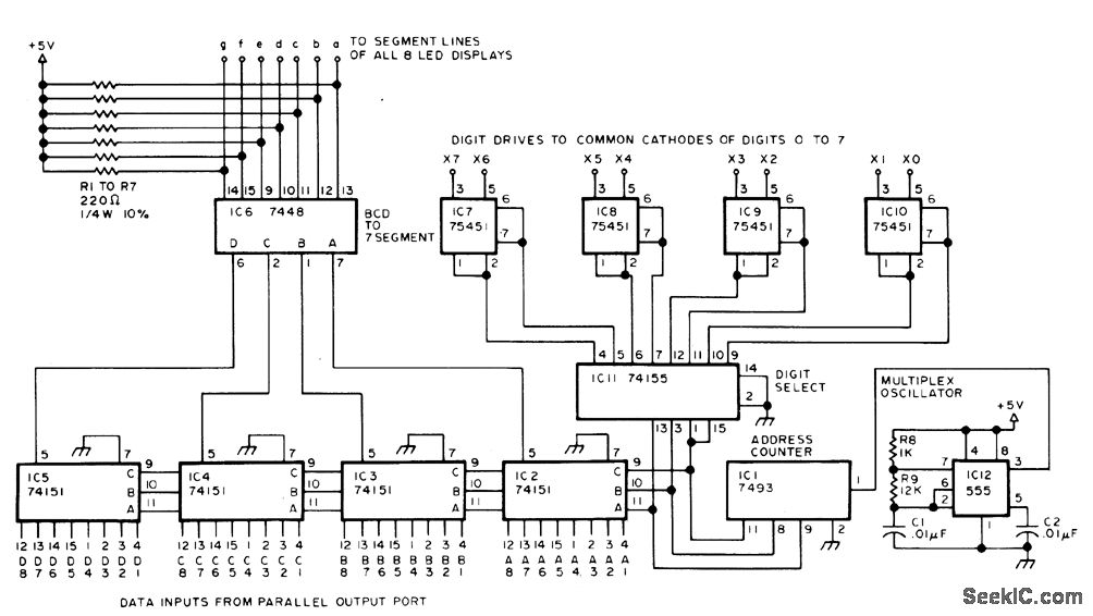
Uses only one 7-segment driver for eight digits of parallel BCD data on eight-LED display that can use MAN 4 or DL7647-segment LEDs. Power is supplied to only one digit at a time but is switched at high enough rate so all digits appear to be on. Uses one eight-channel 74151 multiplexerfor each of the 4 data input bits. Multiplexors and demultiplexer are addressed by7493 counter that is incremented at about 4 kHz by 555 oscillator.IC11 is connected for three-to eight-line demultiplexing. IC7-IC10 are peripheral interface gates, each sinking up to 300 mA for its LED.7448 decoder/driver converts BCD data to 7-segment code for driving segments of LEDs. For 74151 and 74155, pin 16 goes to +5 V and pin 8 to ground. Pin 8 of 75451 goes to +5 V and pin 4 to ground. Pin 5 of 7493 goes to +5 V and pin 10 to ground.-J. Hogenson, Multiplex Your Digital LED Displays, BYTE, March 1977, p 122-126 and 128.
Reprinted Url Of This Article:
http://www.seekic.com/circuit_diagram/Basic_Circuit/MULTIPLEXING_EIGHT_DlGITS.html
Print this Page | Comments | Reading(3)
Code: