Published:2009/7/10 0:59:00 Author:May | From:SeekIC

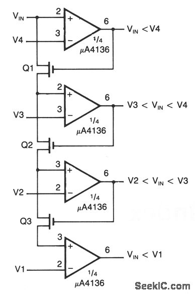
The circuit shown here uses μA4136 comparators and FETs Q1 through Q3.
Reprinted Url Of This Article:
http://www.seekic.com/circuit_diagram/Basic_Circuit/MULTIPLE_APERTURE_WINDOW_DISCRIMINATOR.html
Print this Page | Comments | Reading(3)
Code: