Published:2009/7/13 4:38:00 Author:May | From:SeekIC

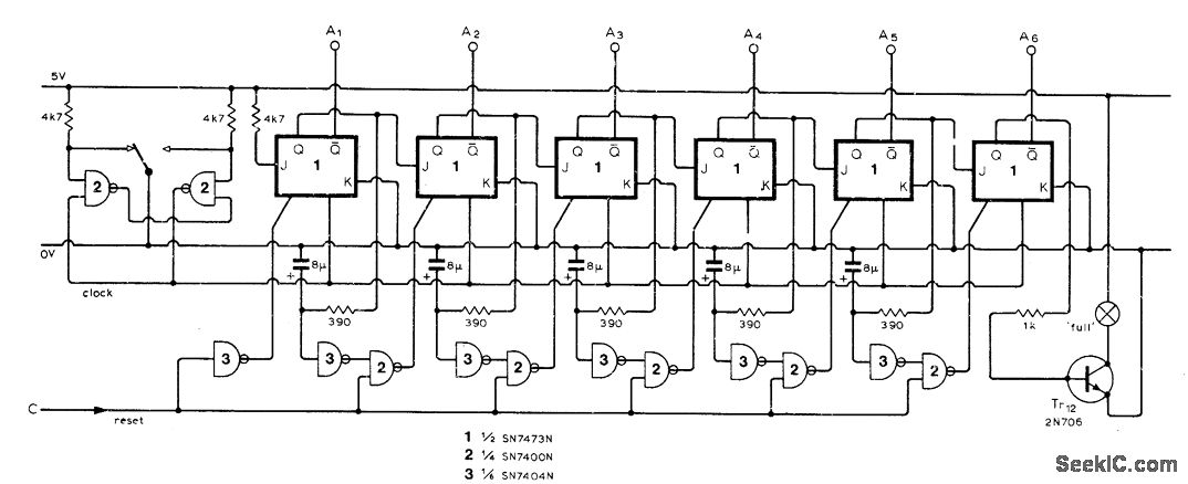
Six independent 2-min timers, each using half of SN7473N IC, are set in sequence by unique input switch as sheets of exposed paper are inserted in developer at about 20-s intervals. When capacity of six prints is reached, Tr12 turns on light to tell operator that no more prints should be inserted until control logic activates alarm signifying 2-min time for first sheet inserted. Audible bleep is repeated as each subsequent sheet reaches its 2-min development time. Article gives all circuits and explains operation in detail. Two-input NAND gates (each 1/4 of SN7400N) and inverters (each1/6 of SN7404N) are used to steer reset pulses. Similar twoinput NAND gates are used to form fully compatible input pulses from input switch control, each having correct level, rise time, and fall time, without contact bounce that might cause spurious starting of several timers simultaneously.-R. G. Wicker, Photographic Development Timer, Wireless World, April 1974, p 87-90.
Reprinted Url Of This Article:
http://www.seekic.com/circuit_diagram/Basic_Circuit/MULTIPLE_TIMER_FOR_PRINTS.html
Print this Page | Comments | Reading(3)
Code: