Published:2011/4/26 4:48:00 Author:Ecco | Keyword: Metal detector | From:SeekIC

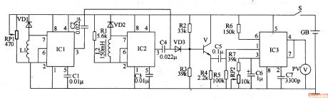
The working principle.The metal detector circuit consists of detection oscillator, reference oscillator, mixer and signal display, it is shown as Figure 8-70.
The detection oscillator circuit is composed of the time base oscillator ICl, inductor Ll, potentiometer RPl, diode VDl and capacitors Cl, C2. Reference oscillator (reference oscillator) circuit is composed of the time-base integrated circuit IC2, inductor L2, diode VD2, resistor Rl and capacitors C3, C4. Mixer is composed of the transistor V, diode VD3 and resistors R2-R4. Signal display circuit consists of integrated circuit IC3, voltage meter RC PV and peripheral components.
Rl-R7 choose 1/4W or 1/8W carbon film resistors. RPl uses synthetic membranes potentiometer with switch; RP2 uses synthetic membrane potentiometer without switch or variable resistor. Cl-C5, C7 use ceramic capacitors; C6 uses the aluminum electrolytic capacitor with the voltage being greater than lOV. VDl-VD3 use 2AP9, 2APlO common germanium germanium diode or 2AK series switching diode. V uses 3DG6 or S9018 silicon NPN transistor.
Reprinted Url Of This Article:
http://www.seekic.com/circuit_diagram/Basic_Circuit/Metal_detector_4.html
Print this Page | Comments | Reading(3)
Code: