Published:2011/7/29 2:49:00 Author:Ecco | Keyword: Metal detector | From:SeekIC

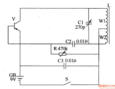
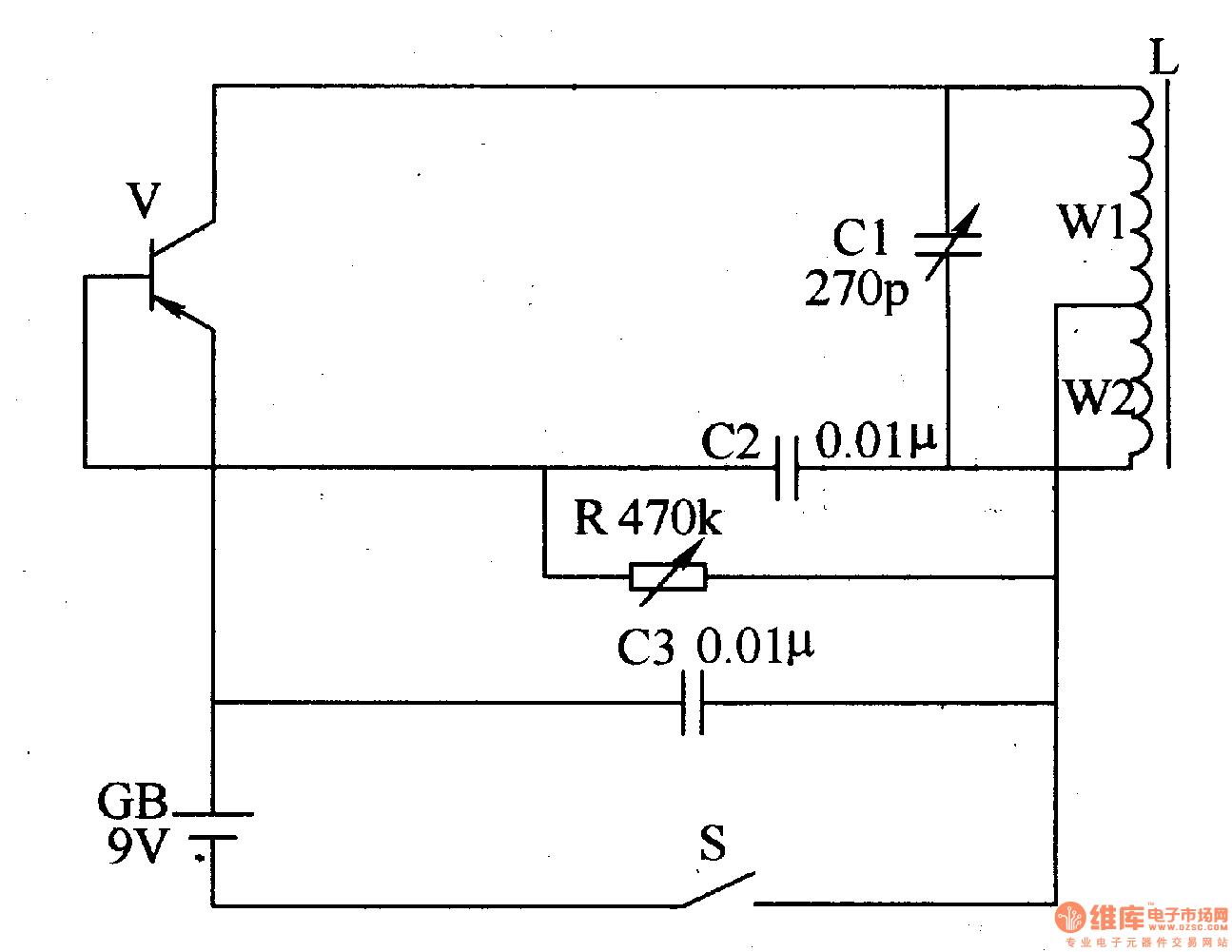
The working principle.The metal detector circuit uses LC single-tube oscillator circuit, it is shownas Figure 8-73.
In the circuit, V is oscillating tube, L is the detection coil, Cl is the resonant capacitor. After turning on power switch S, the LC single-tube oscillator circuit starts oscillation, semiconductor superheterodyne radio speaker will issue the sounds with the frequency in lkHz. When the search coil L detects underground metal, the radio frequency of the sound of the speaker becomes high. Component's selection R uses variable resistor (270P seal simply connected); C2 and C3 use high frequency ceramic capacitor or glaze capacitors. V selects 3AGl or 3AGIl High Frequency Low Power PNP germanium transistors. GB uses 9V laminated battery. L uses enameled wire with φO · 5lmm which is winded on the 5mmxlOmmx8Omm magnet bar with 80 turns (60 turns at the tap, W1 has 60 turns, W2 has 20 turns.) For increasing the sensitivity of L, it can also be winded the coil with the diameter in 3Ocm, the coil should be parallel to the ground.
Reprinted Url Of This Article:
http://www.seekic.com/circuit_diagram/Basic_Circuit/Metal_detector_7.html
Print this Page | Comments | Reading(3)
Code: