Published:2011/6/9 3:41:00 Author:Lucas | Keyword: Metal detector | From:SeekIC

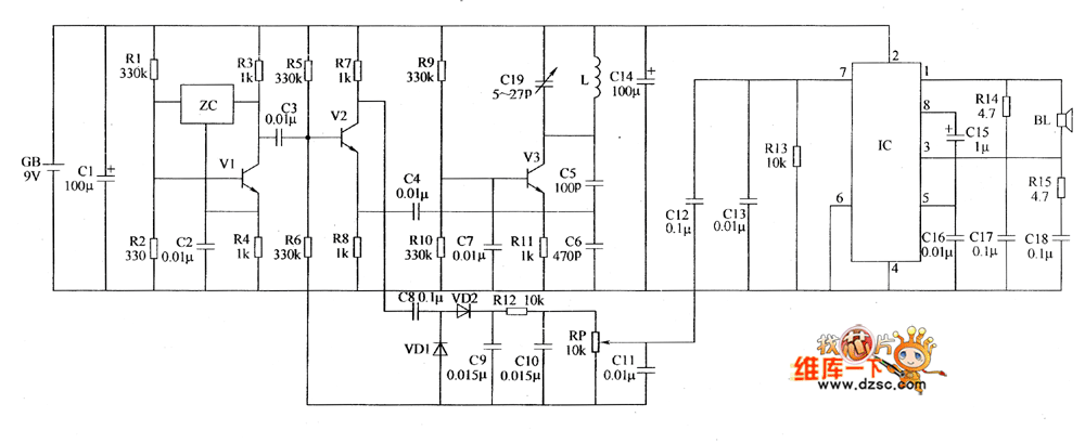
The metal detector circuit consists of the fixed frequency oscillator, mixer, detector, detection oscillator and power amplifier circuit, and the circuit is shown as the chart. Fixed frequency oscillator circuit consists of ceramic filter ZC, transistor VI and resistors R1 ~ R4, capacitor C2 and so on. Mixer consists of the mixer tube V2 and capacitor C3, resistors R5 ~ R8. Detector is composed of the diodes VD1, VD2, capacitors C8 ~ C12 and resistor R12, potentiometer RP and other components. Detection oscillator is composed of the transistor V3, inductance coil L, capacitors C4 ~ C7, C19 and resistors R9 ~ R11. Audio amplifier is composed of power amplifier integrated circuit IC, resistors R13 ~ R15, capacitors C13 ~ C18 and speaker BL.
Reprinted Url Of This Article:
http://www.seekic.com/circuit_diagram/Basic_Circuit/Metal_detector_circuit_diagram_1.html
Print this Page | Comments | Reading(3)
Code: