Published:2011/6/7 19:39:00 Author:Lucas | Keyword: Metal detector | From:SeekIC

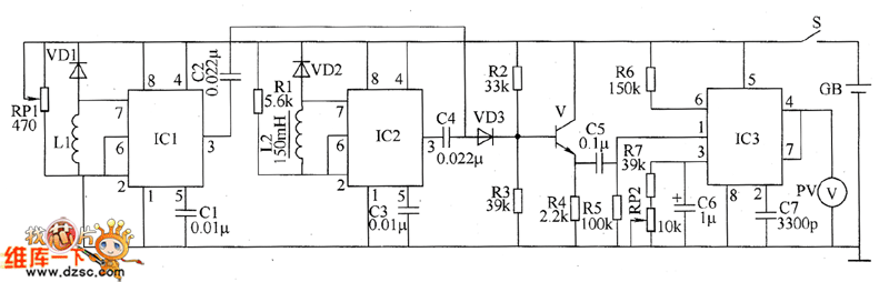
The metal detector circuit is composed of the probe oscillator, reference oscillator, mixer and signal display and other components, and the circuit is shown as the chart. Probe oscillator consists of time-based integrated circuit IC1, inductor L1, potentiometer RPI, diode VD1 and capacitors C1, C2. Reference oscillator (reference oscillator) circuit is composed of the time-base integrated circuit IC2, inductor L2, diode VD2, resistor RI and capacitors C3, C4. Mixer is composed of the transistor V, diode VD3 and resistors R2 ~ R4. Signal display circuit consists of integrated circuit IC3, voltage meter PV and peripheral capacitance resistance element. R1 ~ R7 choose 1/4W or 1/8W carbon film resistors. V uses 3DG6 or S9018 silicon NPN transistor.
Reprinted Url Of This Article:
http://www.seekic.com/circuit_diagram/Basic_Circuit/Metal_detector_circuit_diagram_4.html
Print this Page | Comments | Reading(3)
Code: