Published:2011/6/7 20:00:00 Author:Lucas | Keyword: Metal detector | From:SeekIC

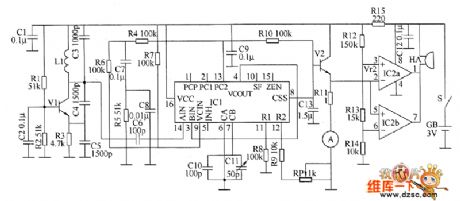
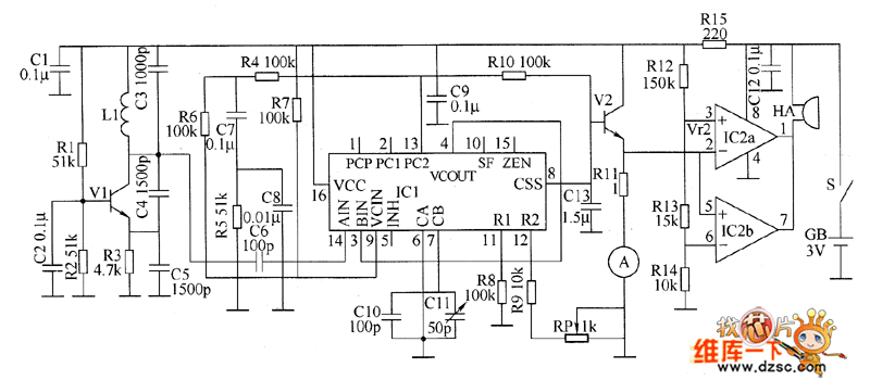
The metal detector circuit is composed of the probe oscillator, PLL phase-locked loop circuit and the audio alarm circuit, and the circuit is shown as the chart. Probe oscillator is composed of the detection coil L, transistor VI, resistors RI ~ R3, capacitors C1 ~ C5. PLL phase-locked loop circuit consists of integrated circuit IC1, resistors R4 ~ R8, capacitors C7 ~ Cll. Audio alarm circuit is composed of the transistor V2, comparision amplifier integrated circuit IC2, buzzer HA, resistors R9 ~ R14. R1 ~ R14 use 1/4W carbon film resistors or metal film resistors; R15 uses 1/2W metal film resistor. RP uses small potentiometer or variable resistor. V1 and V2 use 59018 or 2SC1815 NPN silicon transistors.
Reprinted Url Of This Article:
http://www.seekic.com/circuit_diagram/Basic_Circuit/Metal_detector_circuit_diagram_8.html
Print this Page | Comments | Reading(3)
Code: