Published:2012/12/10 0:15:00 Author:Ecco | Keyword: Microcomputer, data acquisition system | From:SeekIC

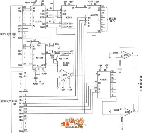
Microcomputer data acquisition system composed of AD570, AD1408 and microprocessor CPU8155 circuit is shown as the figure. The measuring circuit has eight channels, each channel has sequential measurements, the scanning of each channel does not exceed 50μs, the system logic levels use TTL, binary code, data transmission way.
Reprinted Url Of This Article:
http://www.seekic.com/circuit_diagram/Basic_Circuit/Microcomputer_data_acquisition_system_circuit_diagram.html
Print this Page | Comments | Reading(3)
Code: