Published:2011/4/21 21:38:00 Author:Ecco | Keyword: Motor vehicle , steering flasher | From:SeekIC

The working principle
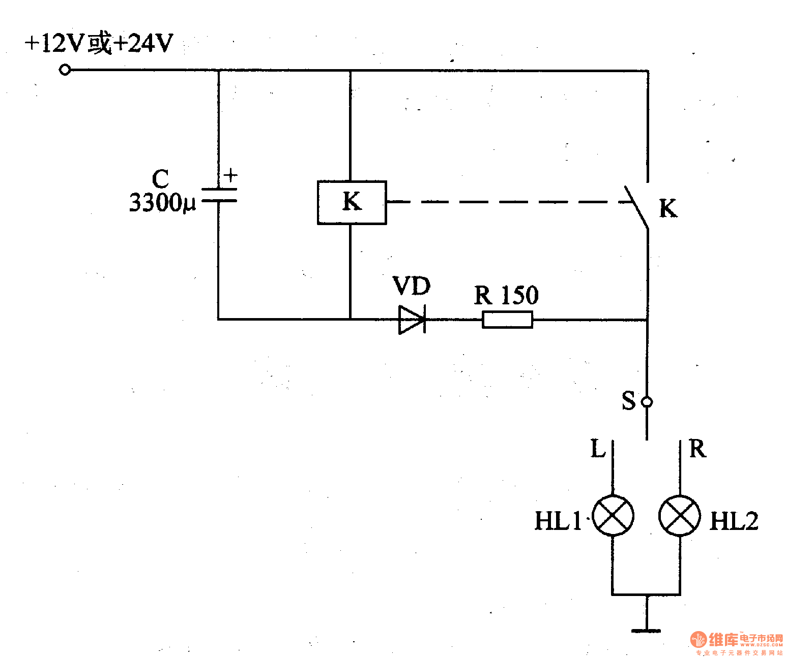
The motor vehicle steering flasher is composed of capacitor C, the relay K, diode VD and resistors R, it is shown in Figure 7-19.
When the turn signal switch S is placed in L (or R position), C begins charging, and the left turn signal HLl (or right turn signal HL2) is lit. With the gradually increasing voltage of C, HLl (or HL2) light fades, when the voltage of C reaches the pull-in voltage of K, K pulls in, and its normally open contact is connected, at this time , the brightness of HLl (or HL2) is largest. Then C discharges through K, when the voltage of C voltage declines down to the releasing voltage of K, K releases, HLl (or HL2) is off. When C starts charging, HLl (or HL2) is lit again, and the circuit repeats the process.
Adjusting the resistance of R can change the note selection of turn signal flash rate.
R uses 1/2W metal film resistors.
C uses electrolytic capacitor with voltage in 35V.
VD selects 1N4001 or 1N4007 silicon rectifier diodes.
K uses 24V or 12V DC relay with the contact current capacity greater than IOA.
Reprinted Url Of This Article:
http://www.seekic.com/circuit_diagram/Basic_Circuit/Motor_vehicle_steering_flasher_10.html
Print this Page | Comments | Reading(3)
Code: