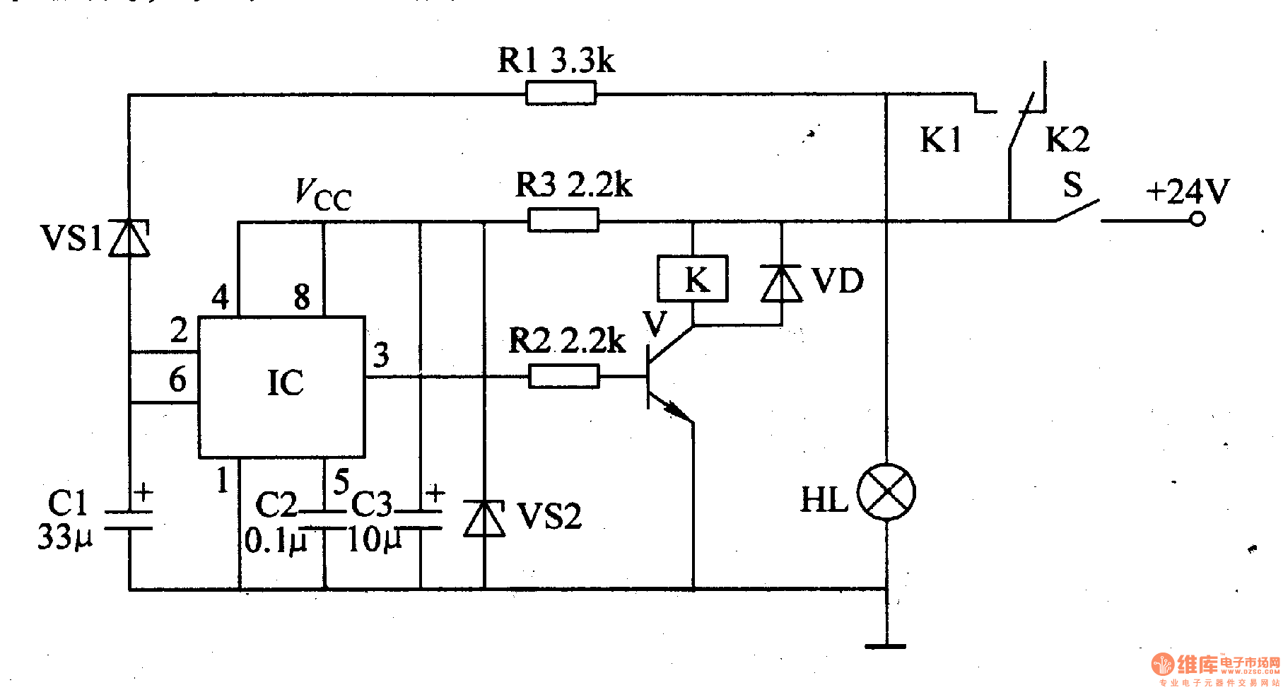
Published:2011/4/21 20:39:00 Author:Ecco | Keyword: Motor vehicle , steering , flasher | From:SeekIC

Reprinted Url Of This Article:
http://www.seekic.com/circuit_diagram/Basic_Circuit/Motor_vehicle_steering_flasher_7.html
Print this Page | Comments | Reading(3)
Code: