Published:2011/4/21 21:08:00 Author:Ecco | Keyword: Motor vehicle , steering flasher | From:SeekIC

The working principle
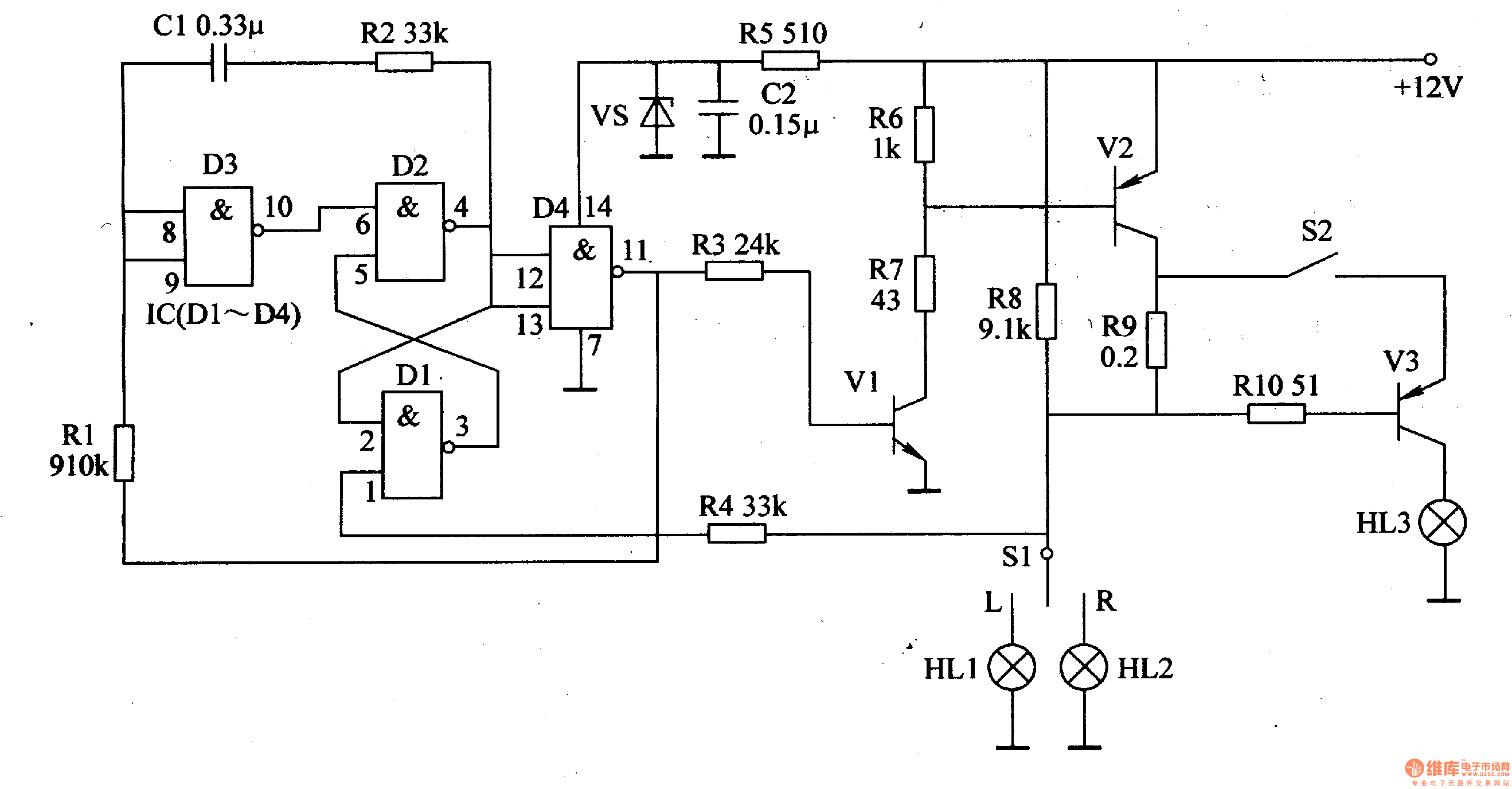
The motor vehicle steering flasher is composed of pulse generator and electronic switching circuit, it is shown in Figure 7-17.
Pulse generator circuit consists of NAND gate integrated circuit IC (Dl-D4), voltage regulator diode VS, resistors Rl, M, M, R5 and capacitors Cl, C2.
Electronic switching circuit consists of resistors R3, R6-RlO and transistors Vl-V3.
Sl is a vehicle turn signal switch, S2 is the door flashes light switch. HLl is the left turn signal, H is the right turn signal, HL3 is flashing lights.
+ L2V voltage is limited by R5, filtered by C2 and regulated by VS to provide IC +9 V voltage.
Component selection
Rl-R4, R6, R7 and RlO use 1/4W carbon film resistor or metal film resistors; R5 and R8 select 1/2W metal film resistors; R9 uses 5-lOW insurance resistor.
Cl and C2 chose monolithic capacitors or polyester capacitors.
VS selects lW, 9V silicon voltage-regulator diode.
Vl uses S9013 or S8050 silicon NPN transistor; V2 use 5OV silicon PNP transistors with the current higher than 5A, for example 3CA8B, BD246A or 2SA807,etc.; V3 chooses 5OV, 2A silicon PNP transistors, for example 2SAl213, 3CA4, 3CA6,etc.
IC uses CD401l or CC401l, MCl4011 NAND gate integrated circuits.
S2 chooses single pole switch with the current of contacts being over 5A.
Reprinted Url Of This Article:
http://www.seekic.com/circuit_diagram/Basic_Circuit/Motor_vehicle_steering_flasher_8.html
Print this Page | Comments | Reading(3)
Code: