About SeekIC | Services | Payment | Advertisements service | Contact Us | Links
© 2008-2012 SeekIC.com Corp.All Rights Reserved.
Published:2011/8/4 8:54:00 Author:nelly | Keyword: Multipurpose, FM , Signal Generator | From:SeekIC

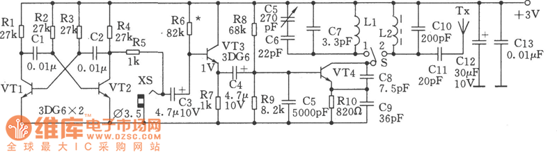
The figure is the multipurpose FM signal generator circuit. VTl and VT2 form the multivibrator. VT3 is the emitter-follower, which is used to modulate the signal source of VT4 oscillator. Then the signal will be emitted by Tx antenna.
Reprinted Url Of This Article:
http://www.seekic.com/circuit_diagram/Basic_Circuit/Multipurpose_FM_Signal_Generator_Circuit.html
Print this Page | Comments | Reading(3)
Response in 12 hours
© 2008-2012 SeekIC.com Corp.All Rights Reserved.
Code: