Published:2009/7/9 4:34:00 Author:May | From:SeekIC

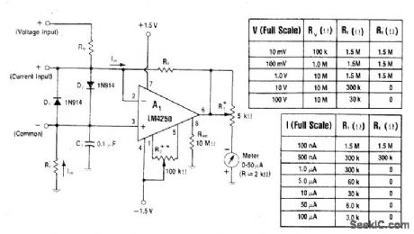
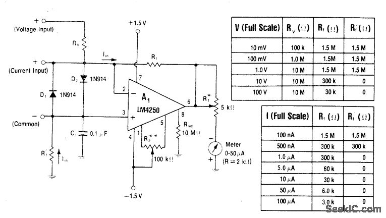
Programmable amplifier operating from ±1.5 V supply such as D cells is used as current-to-voltage convener. Offset null of A1 is used to minimize input offset voltage enor. If programmed for low bias current, amplifier can convert currents as small as 100 nA with less than 1% error,Resistor values for variety of current and voltage ranges are give in tables. Adjust R1 to calibrate meter, and adjust R2 to null input offset voltage on lowest range.Not suitable for higher current ranges because power drain is excessive above 100 μA.-W. G. Jung, IC Op-Amp Cookbook, HowardW Sams, Indianapolis, IN, 1974, p 414-417.
Reprinted Url Of This Article:
http://www.seekic.com/circuit_diagram/Basic_Circuit/NANOAMMETER.html
Print this Page | Comments | Reading(3)
Code: