Published:2009/7/14 3:44:00 Author:May | From:SeekIC

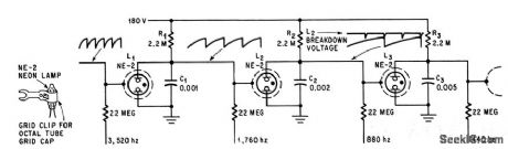
Metal clips on neon lamps are used to synchronize successive stages of neon-lamp relaxation oscillators, overcoming their inherent instability. Used in frequency-division type of electronic organ tone generator.-R. F. Woody, Jr., Clip Couples Neon Oscillators, Electronics, 39:9, p 77.
Reprinted Url Of This Article:
http://www.seekic.com/circuit_diagram/Basic_Circuit/NEON_OSCILLATOR_SYNCHRONIZER.html
Print this Page | Comments | Reading(3)
Code: