Published:2009/7/6 5:50:00 Author:May | From:SeekIC





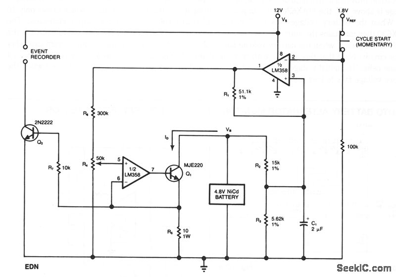
Because NiCad batteries maintain a constant output voltage, it is difficult to determine how much of the battery's charge remains. The circuit provides a way of determining the capacity of a battery by draining it at a preset current to its depleted voltage of 1 V/cell. Measure the discharge time of the cells and perform a simple calculation to obtain the battery's capacity.
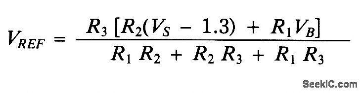
Set the drain current(ID) to 0.5C (C = battery capacity in mA/hr) by selecting an appropriate value for R4. Choose R5 such that: ID x R5 = 1 V. VREF is set so the comparator turns off the drain current and timer when the battery reaches its depleted voltage, VB (usually 1 V/cell). You calculate VREF as follows:
With the battery in place, activate the circuit by grounding VREF with the momentary switch. The battery drains at ID until it reachesVB, turning off the drain circuit and the timer. Hysteresis keeps the circuit from restarting. Determine the battery's capacity using the following equation:
The circuit shown tests 4.8 V, 180 mA/hr batteries. ID is 100 mA and VB is 4 V.
Reprinted Url Of This Article:
http://www.seekic.com/circuit_diagram/Basic_Circuit/NICAD_BATTERY_ANALYZER.html
Print this Page | Comments | Reading(3)
Code: