Published:2009/7/9 5:03:00 Author:May | From:SeekIC

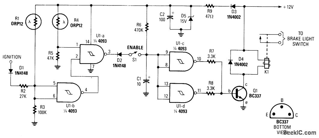
This circuit turns on the brake lights of a parked car when the headlights of an oncoming car are detected, warning the driver of the oncoming car about the parked vehicle. LDR4 is the sensor. LDR1 disables the circuit by causing U1 gate input to be pulled high during daylight hours, causing pin 2 of U1a to become low, disabling it and the circuit.
Reprinted Url Of This Article:
http://www.seekic.com/circuit_diagram/Basic_Circuit/NIGHT_SAFETΥ_LIGHT_FOR_AUTOS.html
Print this Page | Comments | Reading(3)
Code: