Published:2009/7/1 21:52:00 Author:May | From:SeekIC

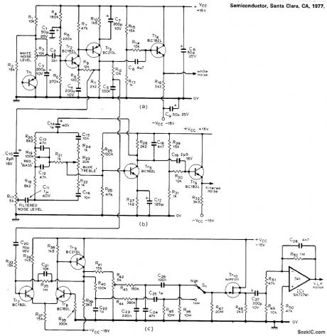
Used in synthesizer for generating wide variety of musical and other sounds, to provide any combination of white, filtered, and VLF noise to be used directly as audio signal or as control signal. Source for white noise is Tr1, which is a germanium transistor selected for high leakage or heated enough to make it leaky, so as to produce an average noise level of about 40 mV P-P. Filtered (colored) noise is produced by driving spec-trum-shaping network (Baxandall tone control) with white noise. Preset control R17. is adjusted so output shows no clipping when both red and blue tone controls are at maximum. VLF noise is extracted from white noise by either of two low-pass filters selected by S1. Three-part article describes operation in detailand gives all other circuits used in synthesizer-T. Orr and D. W. Thomas, Electronic Sound Synthesizer, Wireless World, Part 3-Oct. 1973, p 485-490 (Part 1-Aug. 1973, p 366-372; Part 2-Sept. 1973, p 429-434).
Reprinted Url Of This Article:
http://www.seekic.com/circuit_diagram/Basic_Circuit/NOISE_SOURCE.html
Print this Page | Comments | Reading(3)
Code: