Published:2009/7/15 23:35:00 Author:Jessie | From:SeekIC

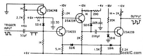
Optimum operating conditions are achieved by keeping amplifiers connected to current sources continuously. With constant input voltage, triggering makes threshold level shift. Diodes in feedback loop improve switching speed. -H. Inose, Y. Yoshida, and H. Tada, Noncutoff Circuits Improve Trigger Switching, Electronics, 35:30, p. 36-39.
Reprinted Url Of This Article:
http://www.seekic.com/circuit_diagram/Basic_Circuit/NONCUTOFF_MONOSTABLE.html
Print this Page | Comments | Reading(3)
Code: