Published:2009/7/1 1:34:00 Author:May | From:SeekIC

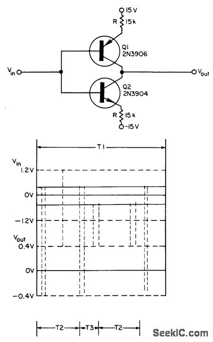
The turn-on and turn-off characteristics of two complementary transistors can be combined to attain nonselective frequency tripling. The resulting circuit handles any periodic waveform with nonvertical sides. Each input signal peak produces three output signal peaks. The additional peaks occur where the input signal causes saturation of one of the two transistors.The circuit operates over a frequency range from dc to the upper limits of the comple-mentary transistor pair. About the only disadvantage of the circuit is the lack of symmetry of the output signal peaks.
Reprinted Url Of This Article:
http://www.seekic.com/circuit_diagram/Basic_Circuit/NONSELECTIVE_FREQUENCY_TRIPLER_USES_TRANSISTOR_SATURATION_CHARACTERISTICS.html
Print this Page | Comments | Reading(3)
Code: