Published:2009/7/10 23:01:00 Author:May | From:SeekIC

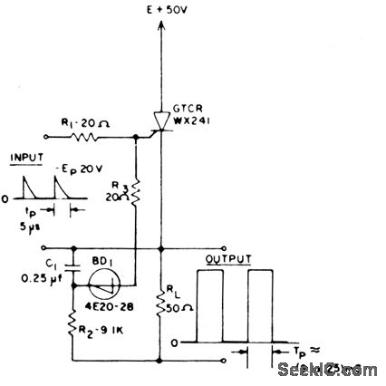
Small trigger at input generates high.power pulse with duration determined by time constant R2-C1.Gate-turnoff controlled recliner in this circuit will chop 1 kw at 1 kc.-J.W. Motto, Jr, Switching Circuits Using the Gate Turnoff Controlled Rectifier, EEE, 11:3, p52-55.
Reprinted Url Of This Article:
http://www.seekic.com/circuit_diagram/Basic_Circuit/NORMALLY_OFF_GTO_CHOPPER.html
Print this Page | Comments | Reading(3)
Code: