Published:2009/7/10 21:23:00 Author:May | From:SeekIC



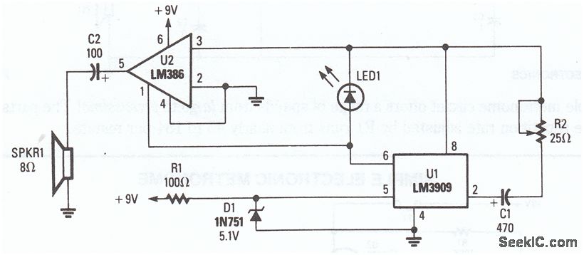
The LM3909 is conftgured so that the frequency of oscillation is dependent on a single RC timing circuit, which consists of C1 and R2. LED1 discharges capacitor C1 and the resultant pulse is directed into pin 3 as well as pin 1 of the LM386 audio amplifier to extemally control that unit, thereby providing ade-quate volume. The circuit, as it is configured, provides frequency ranges from 57 to 204 beats per minute, and plenty of volume.
Reprinted Url Of This Article:
http://www.seekic.com/circuit_diagram/Basic_Circuit/NOVEL_METRONOME.html
Print this Page | Comments | Reading(3)
Code: