Published:2009/7/3 3:43:00 Author:May | From:SeekIC



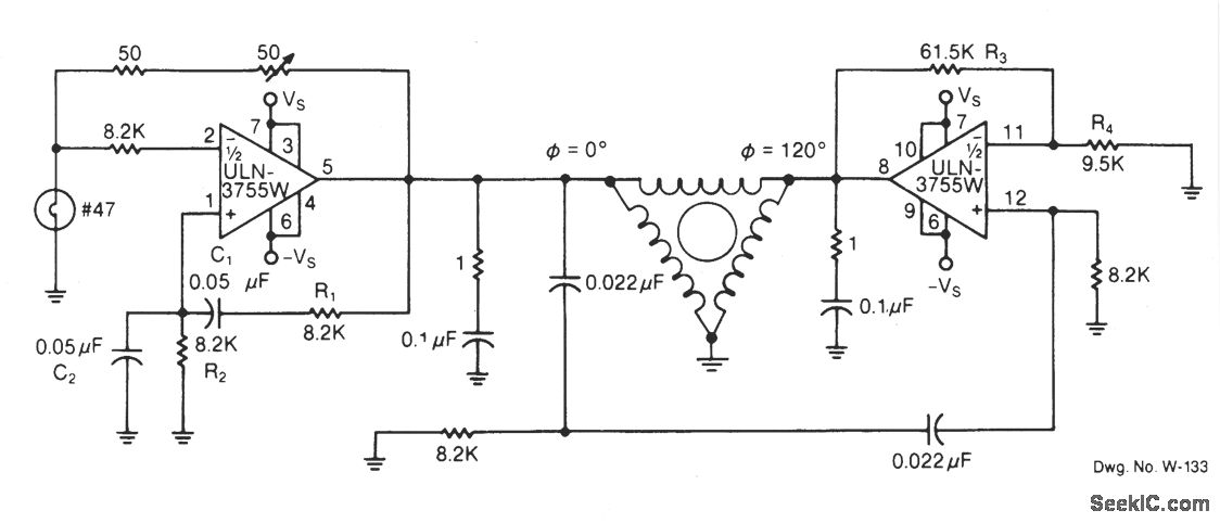
Because of its high amplification factor and built-in power-output stage, an integrated power operational amplifter makes a convenient driver for ac motors. One op amp can be configured as an oscillator to generate the required ac signal. The power-output stage, of course, supplies the high-current drive to the motor. The controlling op amp is configured as a Wein bridge oscillator. The R1C1, R2C2 feedback networks determine the oscillation frequency, according to the following expression:
By varying either R1 or R2, the oscillator frequency can be adjusted over a narrow range.The R3/R4 ratio sets the second amplifier's gain to compensate for signal attenuation occurring in the phase shifters. The circuits can be driven from an external source, such as a pulse or square wave, setting the gain of the left-hand amplifier to a level less than that required for oscillation. The RC feedback networks then function as an active ftlter causing the outputs to be sinusoidal.
Reprinted Url Of This Article:
http://www.seekic.com/circuit_diagram/Basic_Circuit/N_PHASE_MOTOR_DRIVERS.html
Print this Page | Comments | Reading(3)
Code: