Published:2011/6/28 1:33:00 Author:Nicole | Keyword: oxygen ion, generator | From:SeekIC

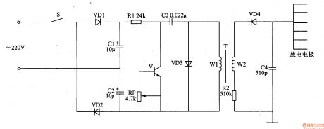
This negative oxygen ion generator circuit is composed of full wave dual voltage rectifier circuit, pulse oscillation circuit and negative high voltage generation circuit, it is shown in the figure 9-116.
The dual voltage rectifier circuit is made of diodes VD1, VD2, and capacitors C1, C2.
The pulse oscillation circuit consists of transistor V, resistor R1, potentiometer RP, capacitor C3, diode VD3 and once winding of boost transformer T.
The negative high voltage generation circuit is composed of twice winding of T, high voltage silicon rectifier stack VD4, resistor R2 and capacitor C4.
Reprinted Url Of This Article:
http://www.seekic.com/circuit_diagram/Basic_Circuit/Negative_oxygen_ion_generator_4.html
Print this Page | Comments | Reading(3)
Code: