Published:2011/6/28 1:51:00 Author:Nicole | Keyword: oxygen ion, generator | From:SeekIC

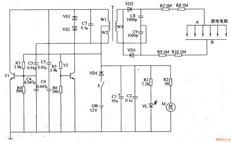
This negative oxygen ion generator circuit is composed of power supply circuit, multivibrator, high voltage discharge circuit and fan circuit, it is shown in the figure 9-117.
The power supply circuit is made of power supply switch S, battery GB, diode VD1, capacitors C1, C2, resistor R1 and LED VL.
The multivibrator consists of transistors V1, V2, resistors R3-R6, capacitors C3-C7, steady voltage diodes VS1, VS2 and windings W1, W2 of pulse transformer T.
The high voltage discharge circuit is composed of twice winding(W3) of T, diodes VD2, VD3, capacitors C8, C9, resistors R7-R10 and discharge electrode.
Reprinted Url Of This Article:
http://www.seekic.com/circuit_diagram/Basic_Circuit/Negative_oxygen_ion_generator_5.html
Print this Page | Comments | Reading(3)
Code: