Published:2009/7/10 2:31:00 Author:May | From:SeekIC

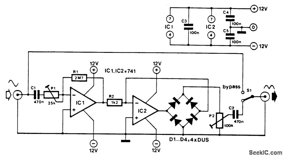
This musical special-effect device is basically a frequency doubler. The input audio is amplified and doubled by using a full-wave rectifier, which has a dc output plus a twice the ac frequency component. The 2 x frequency component is fed to the output.
Reprinted Url Of This Article:
http://www.seekic.com/circuit_diagram/Basic_Circuit/OCTAVE_SHIFTER_FOR_MUSICAL_EFFECTS.html
Print this Page | Comments | Reading(3)
Code: