Published:2009/7/16 4:06:00 Author:Jessie | From:SeekIC

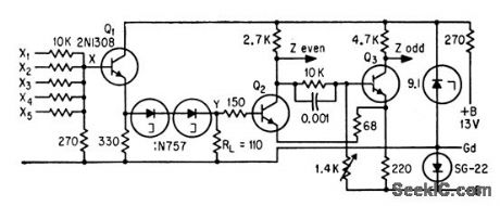
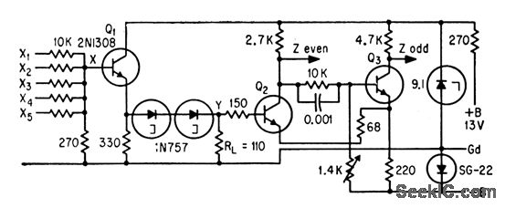
Accepts lye binary inputs and produces signal at either of two outputs according to whether sum of inputs is even or odd. Schmitt trigger is used between tunnel diodes and load to boost output voltage to 9 v.-W. H. Ko, Unique Tunnel-Diode Circuit Performs Odd-and-Even Logic, Electronics, 35:42, p 61-62.
Reprinted Url Of This Article:
http://www.seekic.com/circuit_diagram/Basic_Circuit/ODD_EVEN_LOGIC.html
Print this Page | Comments | Reading(3)
Code: