Published:2009/7/14 2:09:00 Author:May | From:SeekIC


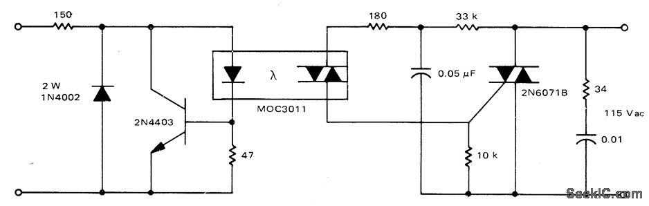
Circult provides input protection of LED from overvoltage and reverse polarity,along with snubber network for handling inductive AC loads. Triac should be chosen to handle load.Safe input voltage range is 3-30 VDC.-P.O'Neil, Applications of the MOC3011 Traic Driver, Motorla,Phoenix,AZ,1978,AN-780,p 6.
Reprinted Url Of This Article:
http://www.seekic.com/circuit_diagram/Basic_Circuit/OPTOISOLATOR_AS_SOLID_STATERELAY.html
Print this Page | Comments | Reading(3)
Code: