Published:2009/7/16 3:45:00 Author:Jessie | From:SeekIC

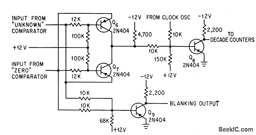
Ground-level signal output is produced only when inputs from the two comparators are in different states. Transistor Q8 gates continuously-running clock oscillator into decade counters of voltmeter.-R. C. Weinberg, Modified Ramp Generator Develops High D-C Input Impedance, Electronics, 37:8, p 33-35.
Reprinted Url Of This Article:
http://www.seekic.com/circuit_diagram/Basic_Circuit/OR_GATE_FOR_DIGITAL_VOLTMETER.html
Print this Page | Comments | Reading(3)
Code: