Published:2009/7/6 0:36:00 Author:May | From:SeekIC

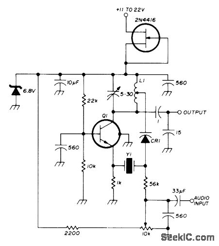
Overtone crystal oscillator circuit that frequency-doubles in transistor can be frequency-modulated or used as stable voltage-controlled crystal oscillator. Tuning range with 70-MHz third-overtone crystal is typically 30 kHz at crystal frequency or 60 kHz at output. L1 is resonant with C1 at desired out-put frequency. Tap for varactor CR1 (Motorola BB 105B or BB142) is at one-fourth total number of turns. Q1 is 2N918, BF115, HEP709, or equivalent.-U. Rohde, Stable Crystal Oscillators, Ham Radio, June 1975, p 34-37.
Reprinted Url Of This Article:
http://www.seekic.com/circuit_diagram/Basic_Circuit/OSCILLATOR_DOUBLER.html
Print this Page | Comments | Reading(3)
Code: