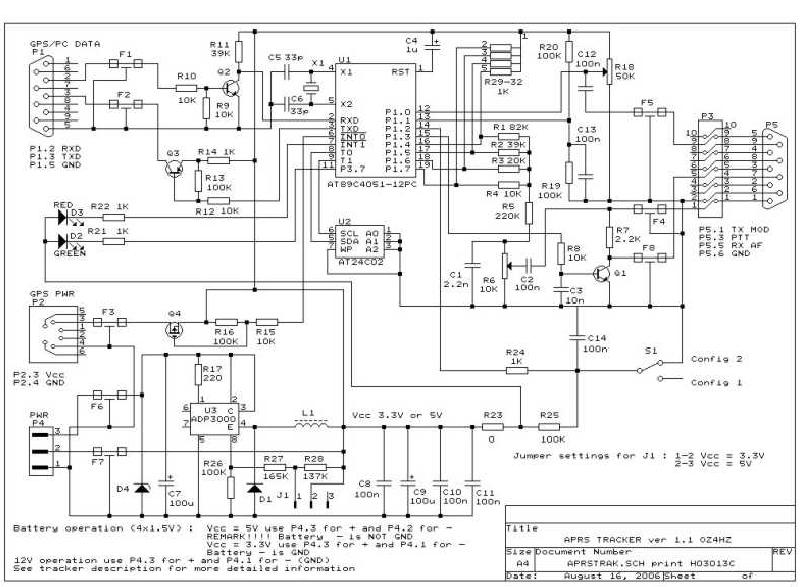
Published:2013/5/14 22:28:00 Author:muriel | Keyword: OZ4HZ APRS tracker | From:SeekIC

Reprinted Url Of This Article:
http://www.seekic.com/circuit_diagram/Basic_Circuit/OZ4HZ_APRS_tracker.html
Print this Page | Comments | Reading(3)
Code: