Published:2009/7/1 3:27:00 Author:May | From:SeekIC

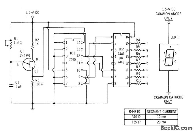
Can be used for classroom demonstration of digital logic driving 7-segment LED or as attention-getting desk display time base Q1 feeds sequential timing pulses to 7490 decade counter. Pulses are counted in binary mode, and bit pattern corre-sponding to digits 0-9 is fed to 7447 binary-to-decimal decoder/driver connected to 7-segment readout. Calibrate with watch or with timing reference signals from WWV, adjusting R1 so display advances 1 digit per second.-F. M.Mints, Electronic Circuitbook 5: LED Projects, Howard W. Sams, Indianapolis, IN, 1976, p 72-75.
Reprinted Url Of This Article:
http://www.seekic.com/circuit_diagram/Basic_Circuit/O_9_s_DIGITAL_READOUT.html
Print this Page | Comments | Reading(3)
Code: