Published:2009/7/23 21:30:00 Author:Jessie | From:SeekIC

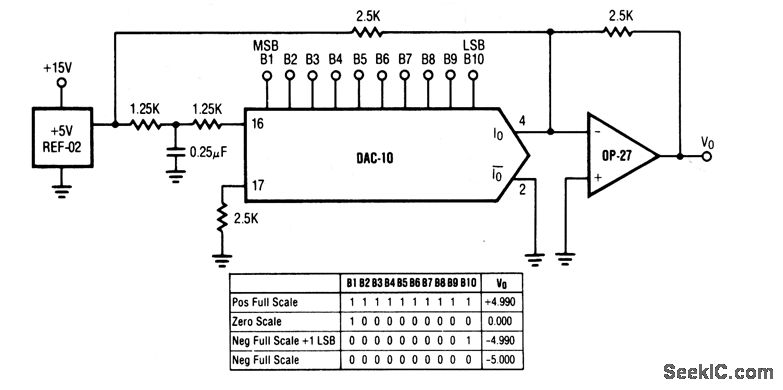
This circuit shows a DAC/op-amp combination that is used to provide offset-binary operation.
Reprinted Url Of This Article:
http://www.seekic.com/circuit_diagram/Basic_Circuit/Offset_binary_D_A_converter_operation.html
Print this Page | Comments | Reading(3)
Code: