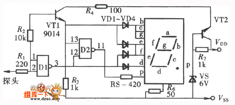
Published:2011/5/26 8:04:00 Author:Christina | Keyword: Open-circuit, state, display, logic pen | From:SeekIC

The Open-circuit state display logic pen circuit (2)
Reprinted Url Of This Article:
http://www.seekic.com/circuit_diagram/Basic_Circuit/Open_circuit_state_display_logic_pen_circuit_2.html
Print this Page | Comments | Reading(3)
Code: