Published:2011/5/26 8:03:00 Author:Christina | Keyword: Open-circuit state, display, logic pen | From:SeekIC

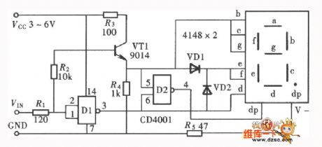
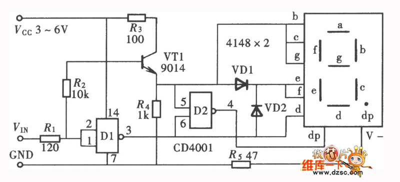
The figure shows the logic pen that can test and display the high and low electrical level and the open-circuit state.
Reprinted Url Of This Article:
http://www.seekic.com/circuit_diagram/Basic_Circuit/Open_circuit_state_display_logic_pen_circuit_CD4001_1.html
Print this Page | Comments | Reading(3)
Code: