Published:2011/5/30 6:28:00 Author:Lucas | Keyword: Optical safety switch | From:SeekIC

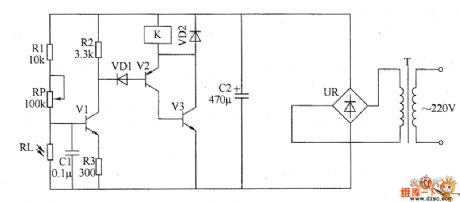
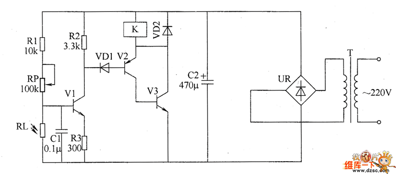
The optical safety switch circuit consists of the power supply circuit, light control circuit and control implementation circuit (switch circuit), the circuit is shown as the chart. Power circuit is composed of the power transformer T, bridge rectifier UR and filter capacitor C2. Light control circuit is composed of the photosensitive resistor RL, resistors R1 ~ R3, potentiometer RP, transistor V1 and capacitor C1. Control implementation circuit consists of the diodes VD1 and VD2, transistors V2 and V3 and the relay K. AC 220Y voltage bucked by T, filtered by UR and rectified by C2 can provide 6V DC voltage for light control circuit and control implementation circuit. R1 ~ R3 use potentiometer l/4W carbon or metal film resistors. RP selects variable potentiometer or solid film variable resistor.
Reprinted Url Of This Article:
http://www.seekic.com/circuit_diagram/Basic_Circuit/Optical_safety_switch_circuit_diagram.html
Print this Page | Comments | Reading(3)
Code: