Published:2009/7/8 5:35:00 Author:May | From:SeekIC

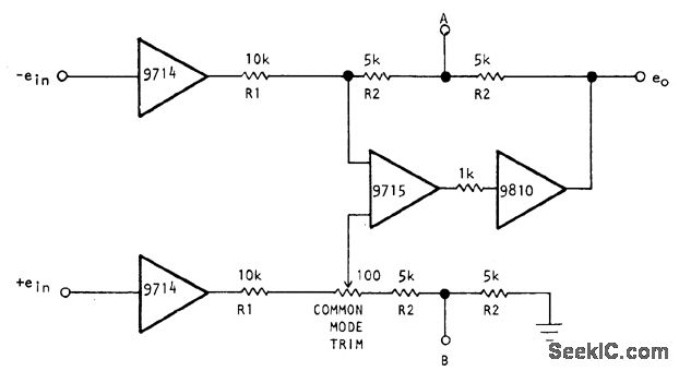
Differential inputs are applied to Optical Electronics 9715 opamp through 9714 voltage followers. Currentbooster using 9810 opamp raises load current to ±100 mA. Complete amplifier has very high differential and common-mode input impedance. Common-mode rejection can be trimmed to greater than 100 dB at 1 kHz for unity gain.Gain is determined by value of resistor RG connected between points A and B and is equal to(2R2/R1)(1 + 2R2/RG). Settling time is 500 ns.Accuracy is maintained from -550C to +85 0C-''Instrumentation Ampliffer, Optical Electronics, Tucson, AZ, Application Tip 10240.
Reprinted Url Of This Article:
http://www.seekic.com/circuit_diagram/Basic_Circuit/Other_Circuit/0_15_MHz_WITH_100_dB_CMR_.html
Print this Page | Comments | Reading(3)
Code: