Published:2009/6/22 22:21:00 Author:May | From:SeekIC



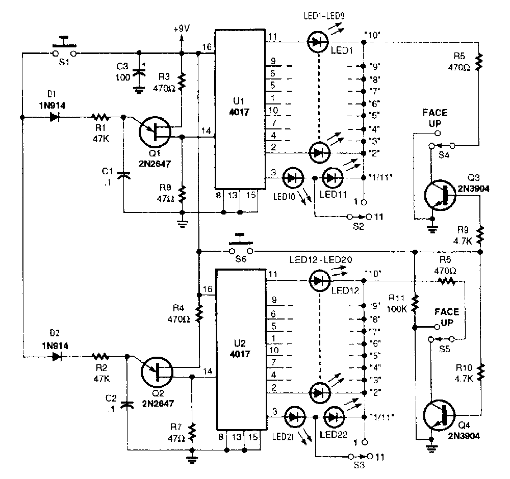
Two 2N2647 unijunction transistors serve as the Clock generators for the two 4017 ICs,A single“deal”push-button switch,S1,operates both Clock generators at the same time,Diodes D1 and D2 isolate the two Clock circuits,allowing S1 to operate both.The 4017 counter/readout circuits are identical In circuitry and operation As long as Clockpulses enter pin 14 of each 4017,the ICs count from 1 to 10 over and over until the clock pulses stopWhen S1 is released,the clock pulses stop and one LED from each IC remalns on to indicate a cardwith a number value of 1(1 or 11) to 10.The position of switches S2 and S3 determines whether the number 1 (“Ace”)output of the 4017s count as an 11 or a 1,Both S2 and S3 can be switched in either position before or after thecards are played.The cards can be played either face up OI face down,When switches S4 and S5 are in the position shown in the figure,the cards are dealt face down,Transistors Q3 and Q4 are turned off in thisposition and no current can flow through the LEDs Pressing S6 turns both transistors on,lightingthe LEDs.
Reprinted Url Of This Article:
http://www.seekic.com/circuit_diagram/Basic_Circuit/Other_Circuit/21_GAME.html
Print this Page | Comments | Reading(3)
Code: