Published:2009/6/17 3:05:00 Author:May | From:SeekIC

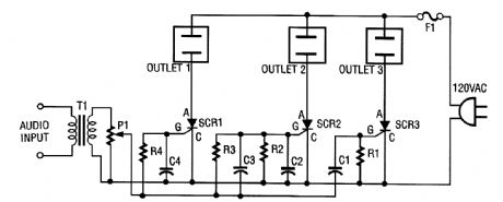
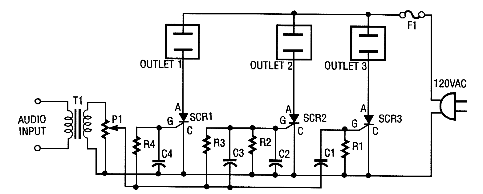
The ac line power is brought back into the circuit through F1, a protective 5-A fuse. One side of the ac line is connected to one side of each ac outlet. The other side of the ac line is connected to each SCR or silicon-controlled rectifier. Each SCR is, in turn, connected to the other side of each ac outlet.An audio signal is brought into the circuit from a stereo speaker by transformer T1. This trans-former has 500-Ω impedance on the primary and 8-Ω impedance on its secondary. Connect T1 so that the 8-Ω side is connected to the speaker and the 500-Ω side is connected to potentiometer P1.Potentiometer P1 is used as a level or sensitivity control. The signal from its wiper lead is applied to each RC filter stage. Because each SCR has a different RC (resistor/capacitor) filter on its gate lead, each will respond to different frequencies. The greater the capacitance in the filter, the lower the frequency that the SCR will respond to.
Reprinted Url Of This Article:
http://www.seekic.com/circuit_diagram/Basic_Circuit/Other_Circuit/3_CHANNEL_COLOR_ORGAN.html
Print this Page | Comments | Reading(3)
Code: