Published:2009/6/17 3:23:00 Author:May | From:SeekIC

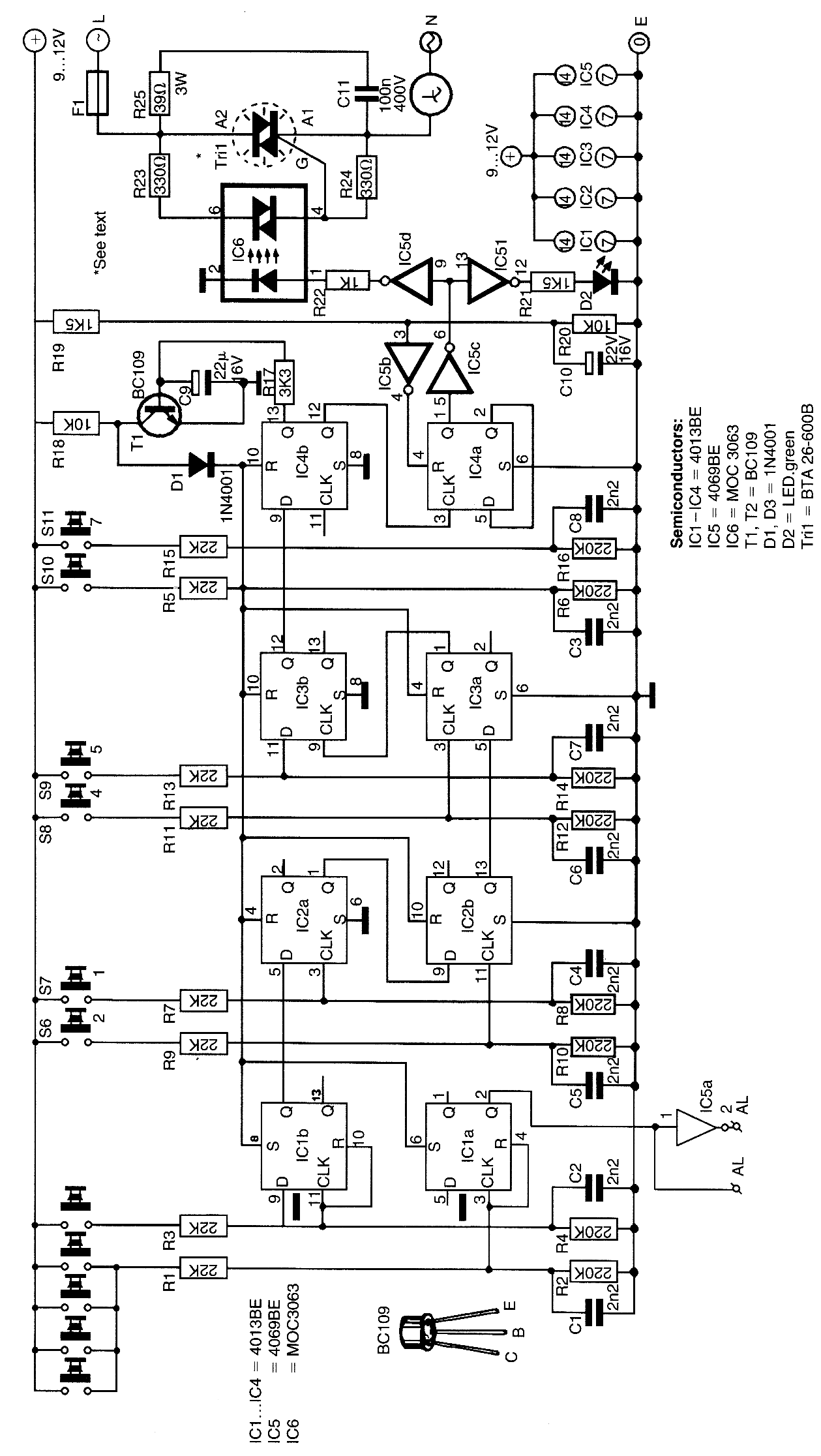
This seitch uses four CD4013 BE dual flip-flops, an inverter, and an optoisolator to drive a triac. The circuit can seitch 25-A ac load cuttrent. A standard 4×3 telephone keybord is used to enter a 6-digit code. In case of a wring cide, a signal is available to activate an alarm. The disarming method is a secret reset button that can be any number on the keyboard.
Reprinted Url Of This Article:
http://www.seekic.com/circuit_diagram/Basic_Circuit/Other_Circuit/6_DIGIT_CODED_ac_POWER_SEITCH.html
Print this Page | Comments | Reading(3)
Code: