Published:2011/7/11 23:57:00 Author:Michel | Keyword: Optoelectronic Isolator Circuit | From:SeekIC

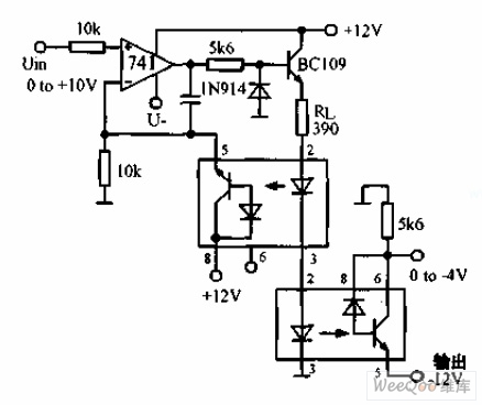
The above picture is DC-DC optoelectronic isolator circuit.The circuit is used to produce input isolation for silicon controlled converter. The above photoelectric isolator constitutes a negative feedback for the op-amp and the following photoelectric isolator completes the photoelectric signal transmission.And transmission nonlinear is within 2%.
Reprinted Url Of This Article:
http://www.seekic.com/circuit_diagram/Basic_Circuit/Other_Circuit/DC_DC_Optoelectronic_Isolator_Circuit.html
Print this Page | Comments | Reading(3)
Code: