Published:2009/6/19 3:44:00 Author:May | From:SeekIC

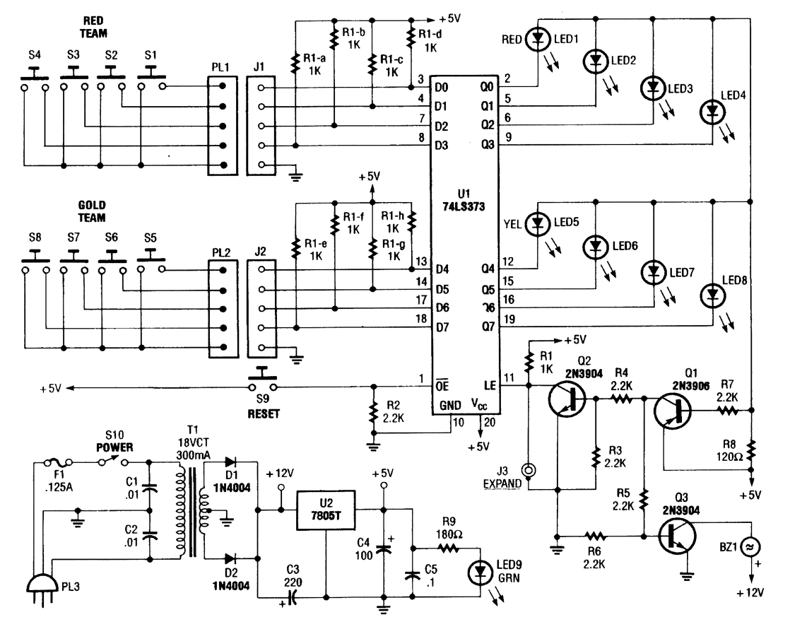
This device is useful for quizzes and games to determine first response. U1 is an octal D type latch IC, an 74LS373.When a button is pushed, this circuit lights the corresponding LED. Q1 conducts, sounding an alarm (BZ1) connected to driver Q3, and Q1 supplies bias to Q2, disabling the rest of the latches in U1.
Reprinted Url Of This Article:
http://www.seekic.com/circuit_diagram/Basic_Circuit/Other_Circuit/DIGITAL“FIRST_TO_RESPOND”BOX.html
Print this Page | Comments | Reading(3)
Code: