Published:2009/6/19 3:33:00 Author:May | From:SeekIC

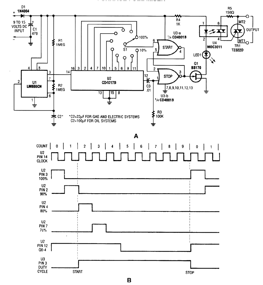
A timer (LM555CN) and decode counter is used to generate duty cycles from 10% to 100% to control the time a heating system can operate. V2 is a decode counter that can be switched from 10% to 100% duty cycle. V3A and B form a latch that drive A1, LED1, and V4. The triac TRI is used as an ac switch, in series with the thermostat that controls the heating system.
Reprinted Url Of This Article:
http://www.seekic.com/circuit_diagram/Basic_Circuit/Other_Circuit/FURNACE_FUEL_MISER.html
Print this Page | Comments | Reading(3)
Code: