Published:2011/7/9 22:44:00 Author:Michel | Keyword: Function Generator Circuit | From:SeekIC

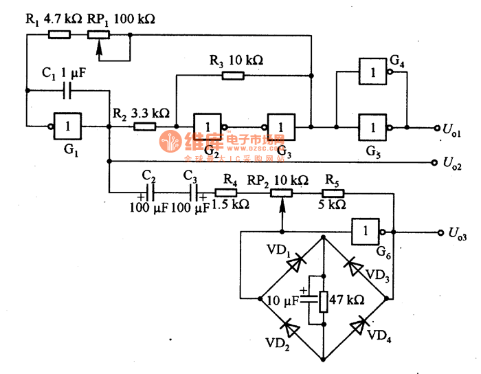
The picture is function generator circuit of 74HCUO4 and G1~G6 is 74HCUO4 inside circuit.This circuit can also output sine wave, rectangular wave and triangle wave at the same time.G1 and C1 constitute Mueller integral circuit and R2, R3, G2 and G3 constitute Schmidt circuit.Output of Schmidt circuit returns to input of miller integral through RP1 and it becomes rectangle wave oscillator. RP1 is used for oscillation frequency adjustment.RP2,R4,R5 and G6 constitute linear inverse amplifier. VD1 ~ VD4 make of diode bridge road and cut top of the triangle wave and turn the triangle wave to sine wave.RP2 adjusts sine wave distortion rate to the minimum value.U.1 outputs rectangle wave,U.2 outputs triangle wave and U.3 outputs sine wave.
Reprinted Url Of This Article:
http://www.seekic.com/circuit_diagram/Basic_Circuit/Other_Circuit/Function_Generator_Circuit_of_74HCUO4.html
Print this Page | Comments | Reading(3)
Code: