Published:2009/7/10 3:27:00 Author:May | From:SeekIC

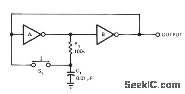
Each time the switch closes, the voltage on C1 causes inverter A to change state, with positive feedback from inverter B. Resistor R1 delays the charging and discharging of C1, making the circuit virtually immune to contact bounce. The circuit works with either CMOS or TTL gates. The values of R1 and C1 are not critical and can be increased for greater contact bounce protection, if needed.Recommended ranges are 10 K to 1 MΩ for R1, and 0.01 to 1.0 μF for C1.
Reprinted Url Of This Article:
http://www.seekic.com/circuit_diagram/Basic_Circuit/Other_Circuit/ON_OFF_INVERTERS.html
Print this Page | Comments | Reading(3)
Code: