© 2008-2012 SeekIC.com Corp.All Rights Reserved.
Published:2011/7/16 8:18:00 Author:Michel | Keyword: Decoding Intergrated Circuit | From:SeekIC

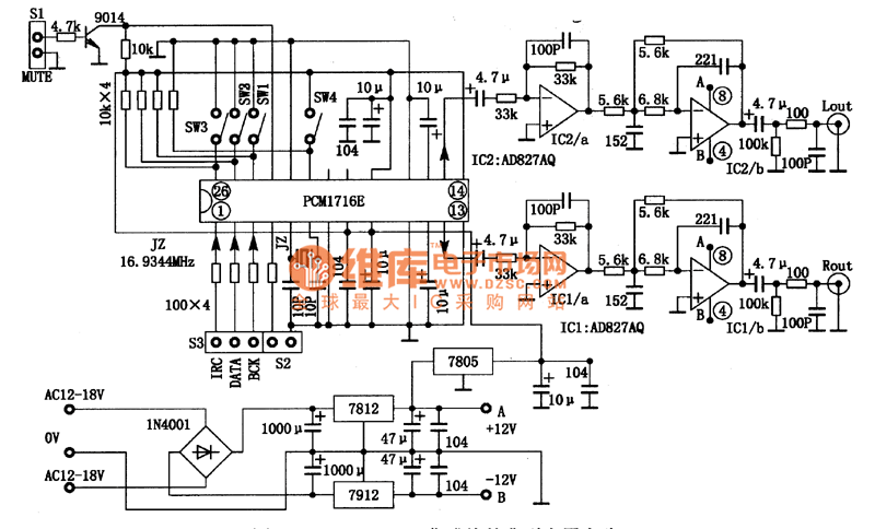
PCMl716E is senior DAC decoding integrated circuit designed by America BB company and it is designed for high-grade CD and DVD.
First,PCMl716E Functions and Features
PCMl716E adopts a modified multilevel AE which can obtain more excellent dynamic performance and reduce the chip's sensitive degree to clock jitter .It has the following main features.
(1)It is able to deal with the digital audio signal of 24 bit96KHZ specification and it also supports the the audio data of previous 16 bit 2 Obit precision.And the sampling frequency coverage is from 16 KHz to 96 KHz.
(2)Total harmonic distortion is 96 dB and dynamic range is 106 dB.
Reprinted Url Of This Article:
http://www.seekic.com/circuit_diagram/Basic_Circuit/Other_Circuit/PCMl716E_DAC_Decoding_Intergrated_Circuit.html
Print this Page | Comments | Reading(3)
Response in 12 hours
© 2008-2012 SeekIC.com Corp.All Rights Reserved.
Code: