Published:2009/6/23 4:34:00 Author:Jessie | From:SeekIC

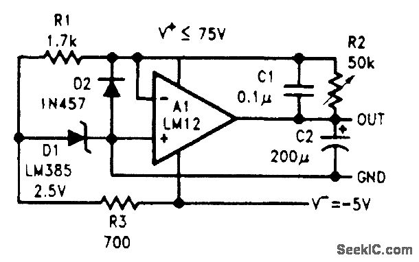
The op amp has one input at ground and a reference current drawn from its summing junction. With this arrangement, the output voltage is proportional to setting resistor R2. A negative supply is used to operate the op amp within its common-mode range, providing zero output with sink current and power a low-voltage bandgap reference, D1. The current drawn from this supply is under 150 mA, except when sinking a load current. The output load capacitor, C2, is part of the op-amp frequency compensation.
Reprinted Url Of This Article:
http://www.seekic.com/circuit_diagram/Basic_Circuit/Other_Circuit/POSITIVE_REGULATO_WITH_o_TO_70_V_OUTPUT.html
Print this Page | Comments | Reading(3)
Code: