Published:2011/8/11 2:39:00 Author:Rebekka | Keyword: Precision adjustable timer | From:SeekIC

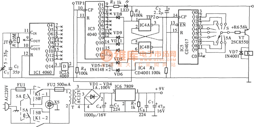
Precision adjustable timer(CD4017) circuit diagram is shown as above.
It uses crystal oscillator composed of CD4060 and quartz crystal to generate base signal. It is an adjustable timer using multi-level digital frequency circuit to make frequency division.
Reprinted Url Of This Article:
http://www.seekic.com/circuit_diagram/Basic_Circuit/Other_Circuit/Precision_adjustable_timerCD4017_circuit_diagram.html
Print this Page | Comments | Reading(3)
Code: