Published:2009/7/1 4:21:00 Author:May | From:SeekIC

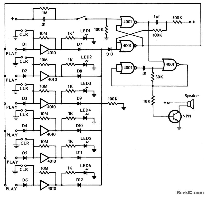
Circuit NotesThis game tests a player's reaction time.It is activated by closing switch S1, which starts the tone generator and arms the circuit.The touchplate, labeled PLAY in the diagram, consists of two metal strips about 1/16th-inch apart. The first player to bridge the gap with his or her finger turns off the tone and lights the associated LED indicator. A second touchplate, labeled CLR in the diagram, clears the circuit, extinguishing the LED, when its gap is bridged by a fingertip.
Reprinted Url Of This Article:
http://www.seekic.com/circuit_diagram/Basic_Circuit/Other_Circuit/READY,SET,GO!.html
Print this Page | Comments | Reading(3)
Code: