Published:2011/7/26 2:05:00 Author:Michel | Keyword: SCM, Expansion Circuits | From:SeekIC



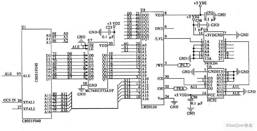
The monolithic integrated circuit expansion already has many mature examples and this paper will not list again and the above picture is monolithic conrolling FRAM principle circuit.The address signals multiplexing mode is used in the system, so they can produce ALE signal. FM20LO8 itself has latches and it chooses signal CE can not like SRAM and it needs precharging time and the signal produces HC04 and HC32.And the falling edge of address signals needs to lock and save and the expansion is shown as the above picture.
Reprinted Url Of This Article:
http://www.seekic.com/circuit_diagram/Basic_Circuit/Other_Circuit/SCM_C8051FC40_and_FM20L08_Expansion_Circuits.html
Print this Page | Comments | Reading(3)
Code: